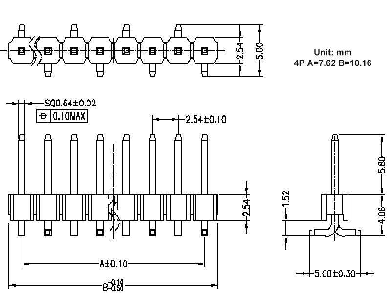
2.54MM (0,1'') PITCH PIN HEADER
SPECIFICATION
MATERIALS (KONTAKTER): Copper Alloy, guld eller tenn (over Nickel) avslut
MATERIALS (HUS): Standard eller högtemperaturplast, rankad UL94V-0
Aktuella: 3A per kontakt
MAXIMUM SPÄNNING: 800V AC, 500V DC
Kontakta SKYDD: 30mΩmax
INSULATION KLASS: 1000 MSEKΩmin
OPERATING TEMPERATUR:-40℃to 105℃
DURABILITY: 300 matningar (guld) eller 50 matningar (tenn)
DRAWING
what'? s funktionen av stifthuvud
its funktion är att fungera som en bro mellan blockerade eller isolerade kretsar i PCB board-kretsen, och ansvarig för ström eller signalöverföring.
what är HRE pin header modeller?
Det finns många typer av stiftlister som klassificeras enligt de standarder i Elektronikindustrin att möta olika behov. Enligt utrymmet kan det grovt uppdelas i 2,54 mm (0,1 tum), 2,0 mm (0,079 tum), 1,27 mm (0,05 tum), 1,0 mm (0,04 tum), 0,8 mm (0,03 tum). Avståndet mellan stift kallas vanligen som beck i det elektroniska samhället. I enlighet med antalet rader, det finns enda rad, dubbel rad, tre rader, etc. Enligt paketet användning, det finns fläckar SMT (yt-mount teknik version) och propp-in DIP (stift genom hål-enheter), bland dem, kan SMT stiftlister vara uppdelad i horisontell stiftdon och vertikal stifthuvud, och DIP typer kan indelas i rak införing stiftdon och böjning ingsstiftlist. Förutom det delade vi den i tre typer enligt deras installationsmetod, 180 ° -installationen representeras av"", 90 ° -installationen är representerad av"w", och SMT-installationen är representerad av"t".
what' s användningsområdet för stifthuvud
Application Intervall:? databehandlingsutrustning, dator, Program styrutrustning, Elektronisk mätutrustning, för automatisk styrning, automatisering, kommunikation utrustning etc.

namn: Haimei Liang
Jobbtitel: sales manager
Avdelning: Sales Department
Företagets telefon: +86 0769 83450370
E-post: Kontakta oss
Mobiltelefon: +86 18929181819
Hemsida: dgwin.sweb2b.com
Adress: No.67,Dongshen Road,Qiaotou Town,Dongguan City,China