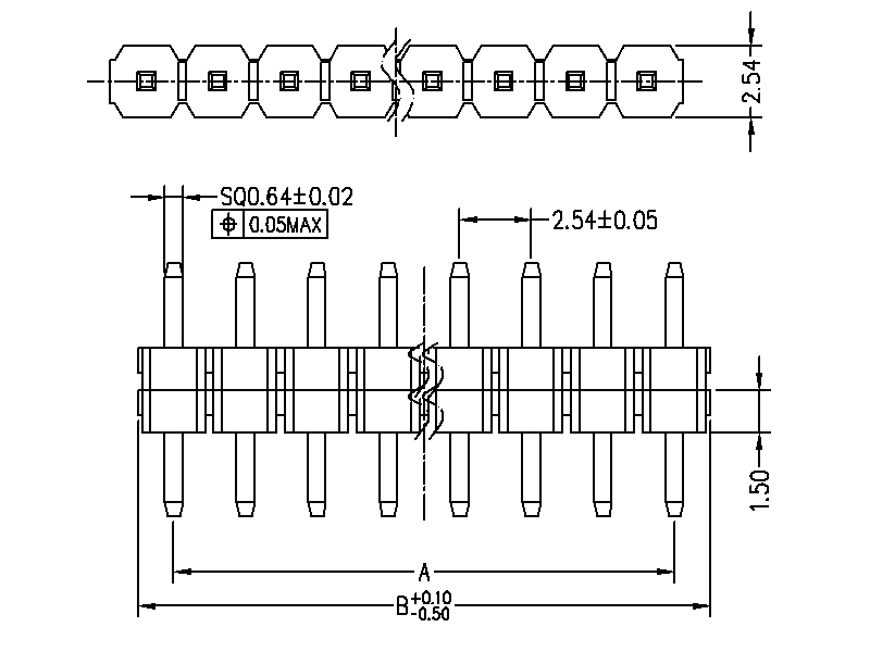
2.54MM (0,1'') PITCH PIN HEADER
material (kontakter): kopparlegering, guld eller tenn (övernickel) avslut
-MATERIALS (HUS): Standard eller högtemperaturplast, rankad UL94V0
Aktuella: 3A per kontakt
maximum Spänning: 800V AC, 500V DC
insulation resistens: 1000 MSEK
Ω-minOPERATING TEMPERATUR:40
℃to 105℃
DURABILITY: 300 matningar (guld) eller 50 matningar (tenn)
DRAWINGS
&#
what 39;? s Pin Header
pin header är ett slags elektrisk kontakt. Vi förkortas oftast som PH eller enkel rubrik,and har rykte om universella connectors.This typ av kontakt används ofta i PCB kretskort inom elektronik, elektriska apparater, och mätare.
&#
what39; s funktionen av stifthuvud
its funktion
is att fungera som en bro mellan blockerade eller isolerade kretsar? I PCB-brädans krets och ansvarig för ström- eller signalöverföring.
-- what är hre pin header modeller?"""""there finns många typer av stiftlister som klassificeras enligt de standarder inom elektronikindustrin för att möta olika behov av. Enligt utrymmet kan det grovt uppdelas i 2,54 mm (0,1 tum), 2,0 mm (0,079 tum), 1,27 mm (0,05 tum), 1,0 mm (0,04 tum), 0,8 mm (0,03 tum). Avståndet mellan stift kallas vanligen som beck i det elektroniska samhället. I enlighet med antalet rader, det finns enda rad, dubbel rad, tre rader, etc. Enligt paketet användning, det finns fläckar SMT (yt"mount teknik version) och proppin DIP (stift genom hål-enheter),
Bland dem kan SMT-stiftrubriker delas in i horisontell stifthuvud och vertikal stifthuvud, och dopptyper kan delas in i rak infogningspinnehuvud och böjningsinsättningsstifthuvud. Förutom det delade vi det i tre typer enligt deras installationsmetod, 180 ° -installationen representeras av, 90 ° -installationen är representerad av w, och SMT-installationen är representerad av
t.&#

namn: Haimei Liang
Jobbtitel: sales manager
Avdelning: Sales Department
Företagets telefon: +86 0769 83450370
E-post: Kontakta oss
Mobiltelefon: +86 18929181819
Hemsida: dgwin.sweb2b.com
Adress: No.67,Dongshen Road,Qiaotou Town,Dongguan City,China