vagnbult

vagnbult

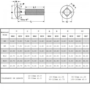
Den är gjord av kolstål. Standarden är DIN603. Har också Amercian tråd. Betygsskala för DIN-standard är klass 4.8 och 8.8. Graden för Amercian tråd är 2 och 5. Efterbehandling kan vara vanligt, zinkbelagt eller svart. De här storlekarna är olika.
top